SITEMAP
ENGLISH
CHINESE
MENU
ホーム
商品情報
プロトコルアナライザー
アナログ計測器
インターフェースコンバーター
LAN接続型IOユニット
組込機器・システム受託開発
ケーブル・その他
サポート
ご購入について
会社概要
採用情報
お問い合わせ
HOME
>
商品情報
> SI-DR125
PRODUCT / 商品情報
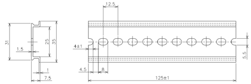
35mmDINレール L=125mm
SI-DR125
詳細
長さ125mmにカットした35mmDINレールです。(RoHS10対応品)
狭い場所にDINレール対応の機器を設置するときに便利です。
<全体>
<外形図>